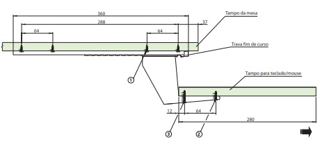
Description
Ferragem deslizante para sustentação de teclados com abertura 3/4 do comprimento nominal, autotravante nofinal do curso aberto e deslizamento com esferas de aço.
Material: Aço relaminado estrutural
Acabamento: Pintura eletrostática epóxi preto e zinco eletrolítico cromatizado preto
Fixação: Superior e apoiada, com parafusos cabeça panela e parafusos cabeça chata PHS AA 3,5
Capacidade: 12 kg
Observações: Acompanha parafusos para instalação e instruções de montagem.








